Jak vybrat a správně zaměřit cylindrickou vložku
Správná volba a přesné zaměření cylindrické vložky jsou klíčové pro zajištění bezpečnosti i komfortu při každodenním používání dveří. Níže najdete podrobný návod krok za krokem.
Co je cylindrická vložka a jak funguje?
- Cylindrická vložka je bezpečnostní prvek, do kterého vkládáte klíč a který ovládá mechanismus zadlabacího zámku.
- Uvnitř vložky je systém stavítek a kolíků – jen správný klíč je uvede do polohy umožňující otočení cylindru.
- Speciální provedení s knoflíkem na vnitřní straně dovoluje zamykání a odemykání bez použití klíče (vhodné pro seniory).

Krok 1: Určete účel a bezpečnostní třídu vložky
- 1.–2. třída: základní ochrana pro méně frekventované prostory (sklep, kůlna, interiérové dveře).
- 3.–4. třída: vysoká až velmi vysoká odolnost proti odvrtání, bumpingu a planžetování – doporučeno pro hlavní vchody do bytu či domu.
- Speciální funkce:
- Emergency – odemkne zámek i při zasunutém klíči z druhé strany.
- Bezpečnostní karta – klíče lze kopírovat pouze s její pomocí.
- Generální klíč – jeden klíč otevírá všechny dveře v objektu.
Krok 2: Připravte měřicí pomůcky
- Malé pravítko nebo skládací metr s přesností na 1 mm.
- Stopek nebo tužka pro označení bodů (volitelné – pro lepší orientaci).
- Starou cylindrickou vložku (pokud ji demontujete) vs. přímé měření přímo na dveřích.
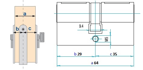
Krok 3: Jak správně změřit cylindrickou vložku
- Nalezněte upevňovací šroub:
- Otevřete dveře a na hraně dveří mezi vnější a vnitřní stranou najděte šroub, kterým je vložka připevněná.
- Změřte obě strany od osy šroubu:
- Vnější délka: od středu šroubu k vnější hraně vložky (mm).
- Vnitřní délka: od středu šroubu k vnitřní hraně vložky (mm).
- Varianty měření bez demontáže vložky:
- Umístěte metr těsně k přednímu krytu vložky a změřte do osy šroubu.
- Pak metr přiložte od osy šroubu k zadnímu krytu vložky.
- Pokud původní vložku nemáte:
- Změřte tloušťku dveří od hrany kiliče zámku k vnějšímu povrchu kování.
- Vypočtěte poměr: vnější část vložky by měla být o cca 3 mm kratší než tloušťka kování, vnitřní část pak odpovídat zbývající tloušťce dveří.
- Standardní délky: vyrábějí se v krocích po 5 mm (např. 30/35, 30/40, 35/35, 35/40 atd.).

Krok 4: Zvažte doplňkové funkce a zabezpečení
- Ochrana proti odvrtání – pevné ocelové elementy v těle vložky.
- Ochrana proti bumpingu – speciální stavítka s drážkami.
- Ochrana proti planžetování – vnitřní pasti blokující rotaci bez správného klíče.
- Knoflík na vnitřní straně – rychlé zamykání bez použití klíče.
Závěrem
- Zvolte správnou bezpečnostní třídu podle účelu (1.–2. třída pro méně chráněné prostory, 3.–4. pro hlavní vchody).
- Přesné měření od osy upevňovacího šroubu zajistí perfektní sednutí vložky.
- Doporučujeme vložky se zvýšenou ochranou proti odvrtání, bumpingu a planžetování a s praktickými doplňky, jako je emergency funkce či bezpečnostní karta.
Investice do kvalitní a správně zaměřené cylindrické vložky je investicí do klidné mysli a bezpečí vašeho domova.